Skip to Content

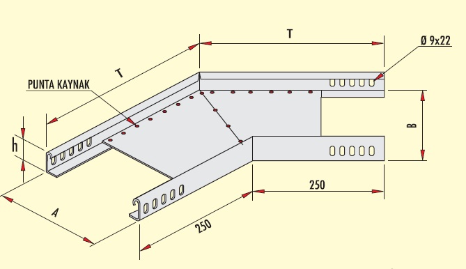
135* ПЛОСКИЙ ИЗГИБ (L Образный) ШИРИНА :200 мм. ВЫСОТА :50 мм. T:1 мм код GD- A20-45/5 PG GERSAN

https://www.megaaz.com/web/image/product.template/6552/image_1920?unique=ca1c94b

3,14706 3.14706 USD 3,14706

5,3500 AZN

Not Available For Sale

Такая комбинация не существует

Условия и положения
30-дневная гарантия возврата денег
Доставка: 2-3 рабочих дня