Skip to Content

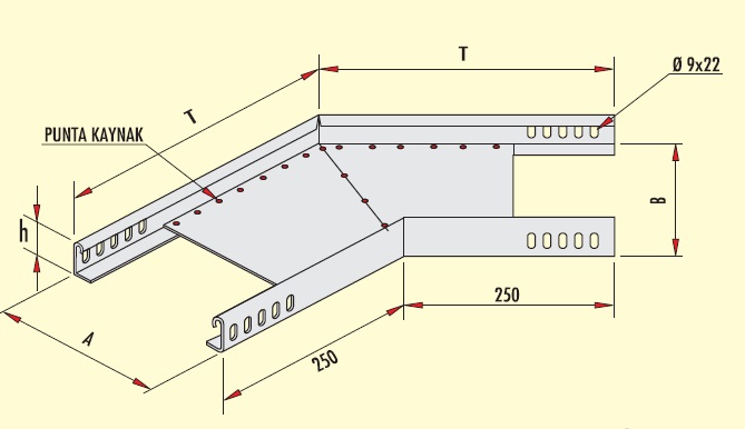
METAL KABEL KANALI ÜÇÜN (L formalı) 135* DİRSƏK (DÖNÜŞ) EN:200mm. H:50mm. T:1mm kod GD- A20-45/5 PG GERSAN

https://www.megaaz.com/web/image/product.template/6552/image_1920?unique=ca1c94b

3,14706 3.14706 USD 3,14706

5,3500 AZN

Not Available For Sale

Bu kombinasyon mövcud deyil.

Şərtlər və Qaydalar
30 günlük pulun geri qaytarılma zəmanəti
Çatdırılma: 2-3 iş günü