Skip to Content

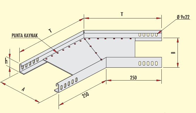
135* ПЛОСКИЙ ИЗГИБ (L Образный) ШИРИНА :400 мм. ВЫСОТА :50 мм. T:1,5 мм код GD- A40-45/5 PG GERSAN

https://www.megaaz.com/web/image/product.template/6554/image_1920?unique=ca1c94b

12,69411 12.69411 USD 12,69411

21,5800 AZN

Not Available For Sale

Такая комбинация не существует

Условия и положения
30-дневная гарантия возврата денег
Доставка: 2-3 рабочих дня